[10+] 3evinrude Owners Manual Download, Johnson Sea Horse Outboard Owners Manual CD-CDL 6HP 1967 - OUTBOARD

Evinrude Owners Manual Download Evinrude Owners Manual 1964 40hp Big Twin Model 40402 And 40403

Outboard 6hp 1967

Getting an evinrude 25 hp running after five years of sitting.. Evinrude twin manual 40hp 1964 owners manuals outboard schematic. Evinrude owners manual 1964 40hp big twin model 40402 and 40403. Seagull outboard owners manual (1973)

Mark Levinson No 33h Schematics For Service And Repair | 2019 Ebook Library

Mark Levinson No 33h Schematics For Service And Repair | 2019 Ebook Library

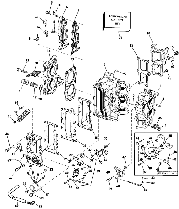
1986 25 hp evinrude diagram || 'manual for 93 evinrude 4 hp'

1986 25 hp evinrude diagram || 'manual for 93 evinrude 4 hp'

Engine Details Page - ARG Marine

Engine Details Page - ARG Marine

2005 Evinrude 40 50 60 HP E-Tech Model Motor Service Repair Shop Manual

2005 Evinrude 40 50 60 HP E-Tech Model Motor Service Repair Shop Manual

1985 evinrude 70 hp manual

1985 evinrude 70 hp manual

Comments